Produkty
DOMOV > Produkty
LMZJ1-0,5 Prúdový transformátor
  • LMZJ1-0,5 Prúdový transformátorLMZJ1-0,5 Prúdový transformátor
  • LMZJ1-0,5 Prúdový transformátorLMZJ1-0,5 Prúdový transformátor
  • LMZJ1-0,5 Prúdový transformátorLMZJ1-0,5 Prúdový transformátor

LMZJ1-0,5 Prúdový transformátor

Prúdový transformátor LMZJ1-0,5 je priechodné zbernicové zariadenie navrhnuté špeciálne pre vnútorné AC obvody, vyrábané spoločnosťou Comewill, profesionálnym výrobcom v Číne. Tento produkt je špeciálne navrhnutý pre systémy s menovitým napätím ≤ 0,5 kV a frekvenciou 50 Hz. Je základným komponentom pre meranie prúdu, meranie energie a reléovú ochranu v nízkonapäťových energetických zariadeniach a je veľmi vhodný pre hromadné obstarávanie v priemyselných a komerčných projektoch.

Ako profesionálny výrobca v Číne by vám spoločnosť Comewill rada poskytla prispôsobený prúdový transformátor LMZJ1-0,5, ktorý je vylepšený technológiou odlievania živicovej izolácie a využíva režim inštalácie pevnej základnej dosky. Vďaka lepšej prevádzkovej stabilite a dlhodobej odolnosti šetrí náklady na údržbu pre obstarávacích partnerov už od základu. Poskytuje viacero možností vysoko presných prevodov 0,2, 0,5, 0,2 s a 0,5 s, ktoré ľahko pokrývajú rôzne potreby aplikácií v rôznych scenároch.

Kompaktný konštrukčný dizajn robí inštaláciu a nasadenie flexibilnejšími a dvojitá podpora konfigurácie bezpečnosti najvyššej úrovne a ultra dlhá životnosť robí z prúdového transformátora LMZJ1-0,5 spoľahlivú voľbu pri obstarávaní moderných nízkonapäťových systémov. Stojí za zmienku, že tento nízkonapäťový transformátor má vynikajúcu odolnosť voči vysokým teplotám a znečisteniu a dokáže udržať stabilnú prevádzku aj v drsnom prostredí, čím maximalizuje hodnotu každej investície do obstarávania.

Štruktúra produktu

Jadro prúdového transformátora LMZJ1-0,5 je kruhové železné jadro vyrobené z orientovaných plechov z kremíkovej ocele valcovaných za studena – táto presná konštrukcia vinutia je kľúčom k maximalizácii magnetickej účinnosti a položením základov spoľahlivej prevádzky.
Sekundárne vinutie je rovnomerne ovinuté okolo tohto kruhového železného jadra, čo je starostlivo navrhnuté usporiadanie, ktoré zaisťuje konzistentný výkon za všetkých prevádzkových podmienok a eliminuje problémy s nerovnomerným výstupom.
Stredové okno prechádza stredom produktu a je navrhnuté na bezproblémovú integráciu prípojníc, zatiaľ čo pevná základňa v spodnej časti poskytuje bezpečnejší a stabilnejší inštalačný bod produktu, čo uľahčuje inštaláciu.
Celý komponent je odliaty z nenasýteného živicového izolačného materiálu. Toto robustné puzdro nielen zvyšuje odolnosť, ale tiež zlepšuje bezpečnosť a chráni vnútorné komponenty pred tlakom prostredia, vďaka čomu je transformátor odolný v rôznych pracovných prostrediach.

Parameter

Elektrický parameter Mechanický parameter
Frekvencia 50/60 Hz Prípad PC/UL94-V0
Hodnotený vstup 5A-5000A Paličkovať PBT
Rozsah merania 5%In-120%In Jadro Silikónová oceľ
Menovitý výstup 1A, 5A Stavebníctvo Skrutka
Pomerové napätie 0,72 KV (AC) Prevádzková teplota -25 ℃~+75℃
Dielektrická pevnosť 3,0 KV/1 mA/1 min Prevádzková vlhkosť ≤ 85 %
Izolačný odpor DC 500V/100MΩ min Výstupné pripojenie Terminál
Model Primárne / sekundárne Rozmery otvoru prípojnice (mm) Menovité zaťaženie (VA) Trieda presnosti Menovité napätie
LMZJ1-0,5 30 5/5A~300/5A ø = 31 mm 2,5~5 0,2S 0,5S 0,5 0,72 KV (AC)
LMZJ1-0,5 35 5/5A~300/5A ø = 35 mm 2,5~5 0,2S 0,5S 0,5 0,72 KV (AC)
LMZJ1-0,5 40 200/5A~500/5A ø = 42 mm 5 0,2S 0,5S 0,5 0,72 KV (AC)
LMZJ1-0,5 50 400/5A~600/5A ø = 56 mm 5 0,2S 0,5S 0,5 0,72 KV (AC)
LMZJ1-0,5 80 750/5A~1200/5A ø = 83 mm 10-20 0,2S 0,5S 0,5 0,72 KV (AC)
LMZJ1-0,5 100 800/5A~2000/5A ø = 102 mm 10-30 0,2S 0,5S 0,5 0,72 KV (AC)
LMZJ1-0,5 140 2000/5A~4000/5A ø = 142 mm 15-30 0,2S 0,5S 0,5 0,72 KV (AC)
LMZJ1-0,5 180 5000/5A~6000/5A ø = 182 mm 15-30 0,2S 0,5S 0,5 0,72 KV (AC)

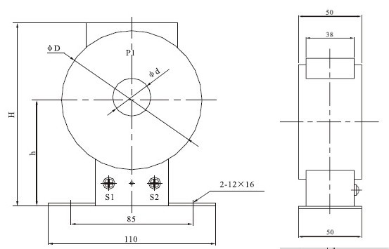
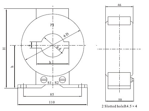
Obrys a rozmery inštalácie

Typ Aktuálny pomer H h φD φd
LMZ1-0,5 5-300/5 117 68 90 30
Typ Aktuálny pomer H h φD φd a b
LMZJ1-0,5 5-300/5 118 70 91 32 10 41
400-600/5 128 75 97 43 12 52
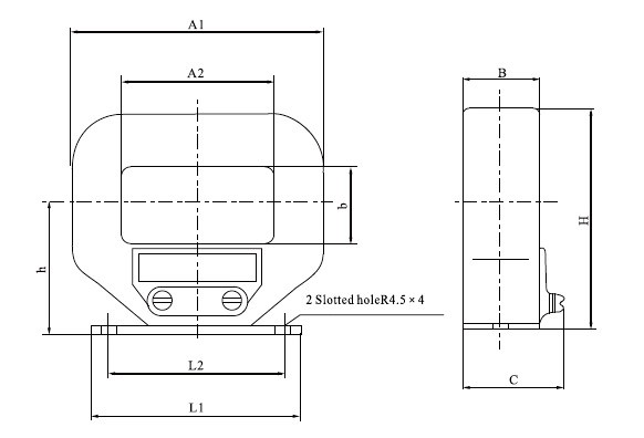
Typ Aktuálny pomer A1 A2 B h H L1 L2 C b
LMZJ1-0,5 1000/51200/51500/5 172 104 30 80 140 156 123 41 50
2000/53000/5 216 140 42 102 182 175 150 46 70
4000/55000/5 238 150 55 117 220 230 180 60 94
Hot Tags: LMZJ1-0.5 Prúdový transformátor, Čína, Výrobca, Dodávateľ, Továreň, Veľkoobchod, Na mieru, Skladom, Vyrobené v Číne, Nízka cena, Kvalita
Odoslať dopyt
Kontaktné informácie
Zašlite dopyt do Comewill na rozvádzače, vákuové ističe, prúdový transformátor. Získajte prispôsobené cenové ponuky, nízke ceny alebo odbornú podporu od nášho výrobného tímu v Číne.
X
Súbory cookie používame, aby sme vám poskytli lepší zážitok z prehliadania, analyzovali návštevnosť stránok a prispôsobili obsah. Používaním tejto stránky súhlasíte s naším používaním cookies. Zásady ochrany osobných údajov
Odmietnuť Prijať