Produkty
DOMOV > Produkty
Vonkajší vákuový istič série ZW20 SF6
  • Vonkajší vákuový istič série ZW20 SF6Vonkajší vákuový istič série ZW20 SF6
  • Vonkajší vákuový istič série ZW20 SF6Vonkajší vákuový istič série ZW20 SF6

Vonkajší vákuový istič série ZW20 SF6

Vysokokvalitný vonkajší vákuový istič SF6 z továrne Comewill série ZW20 je vonkajší vysokonapäťový vákuový istič skonštruovaný pre 12 kV, 50 Hz trojfázové AC napájacie systémy. Ide o riešenie pre manipuláciu a ochranu záťažových prúdov, preťažení a skratových prúdov – či už v distribučných sieťach, rozvodniach, priemyselných závodoch alebo vidieckych energetických nastaveniach. Funguje to obzvlášť dobre v scenároch, ktoré vyžadujú častú prevádzku alebo automatizovanú integráciu siete.

Ako profesionálny výrobca vonkajšieho vákuového ističa SF6 radu ZW20 v Číne, tento vysokokvalitný istič Comewill obsahuje pokročilú technológiu vákuového zhášania oblúka a ako izolačné médium používa plyn SF6. Integrovali sme japonskú konštrukčnú technológiu Toshiba VSP5 pre jej plynové tesnenie, izoláciu a odolnosť proti výbuchu – takže tesnenie je špičkové, vôbec neuniká plyn SF6 a funguje spoľahlivo bez ohľadu na podmienky prostredia.

Jeho pružinový mechanizmus je kompaktný s optimalizáciou pre lepšiu spoľahlivosť a stabilitu. Použili sme priamy reťazový pohon a viacstupňový vypínací systém, vďaka ktorému je výkon oveľa lepší ako tradičné pružinové mechanizmy. Hlavný obvod sa vyznačuje vnútornou rozťahovacou a vonkajšou kontrakčnou štruktúrou náramku – tento dizajn udržuje nízky kontaktný odpor a znižuje nárast teploty počas prevádzky.

Vlastnosti produktu

Skriňa tohto vonkajšieho vákuového ističa SF6 série ZW20 využíva technológiu izolačnej štruktúry VSP5 uzavretú v plyne, odolnú voči výbuchu – tiež sme zlepšili tesniaci výkon vstupných a výstupných potrubí. Celá jednotka sa môže pochváliť špičkovým tesnením: vnútorný plyn SF6 nebude vôbec unikať a funguje stabilne bez ohľadu na drsné podmienky prostredia.

Jeho pružinový mechanizmus bol miniaturizovaný a optimalizovaný pre maximálnu spoľahlivosť a stabilitu. Prijali sme priamo pôsobiaci reťazový hlavný pohon a viacstupňový systém odpájania, takže jeho prevádzková spoľahlivosť a stabilita sú oveľa lepšie ako tradičné domáce pružinové mechanizmy – ako niekoľkonásobné zvýšenie výkonu.

Spojenie hriadeľa a objímky hlavného okruhu využíva štruktúru stolovej reťaze s vnútorným zatváraním a napínaním smerom von. Táto konštrukcia udržuje kontaktný odpor hlavného obvodu veľmi nízky, čo má za následok minimálny nárast teploty počas prevádzky.

Vonkajší vákuový istič série ZW20 SF6 vyrobený v Číne tiež prichádza s extra praktickými funkciami: nadprúdová ochrana, indikátor akumulácie energie pružiny mechanizmu a letecká zásuvka pre sekundárne elektrické pripojenia. Je veľmi jednoduché spárovať s inteligentnými ovládačmi.

Navyše je tento produkt plne kompatibilný s ovládačmi s vynikajúcou funkciou opätovného uzatvorenia – dokonale spĺňa požiadavky systémov automatizácie distribúcie energie.

Špecifikácia produktu:

Položka Jednotka Údaje
Menovité napätie kV 12
Menovitá frekvencia Hz 50
Rated Current A 630
Menovitý skratový vypínací prúd kA 20
Rated Making Current (Peak) kA 50
Menovitý dynamický prúd (špičkový) kA 50
4s menovitý krátkodobý výdržný prúd kA 20
Menovitá prevádzková sekvencia
Otvoriť–0,3s–Zatvoriť Otvoriť–180s–Zatvoriť Otvoriť
Menovité napätie motora zásobníka energie V AC220
Maximálne/minimálne napätie motora zásobníka energie V AC242/AC18

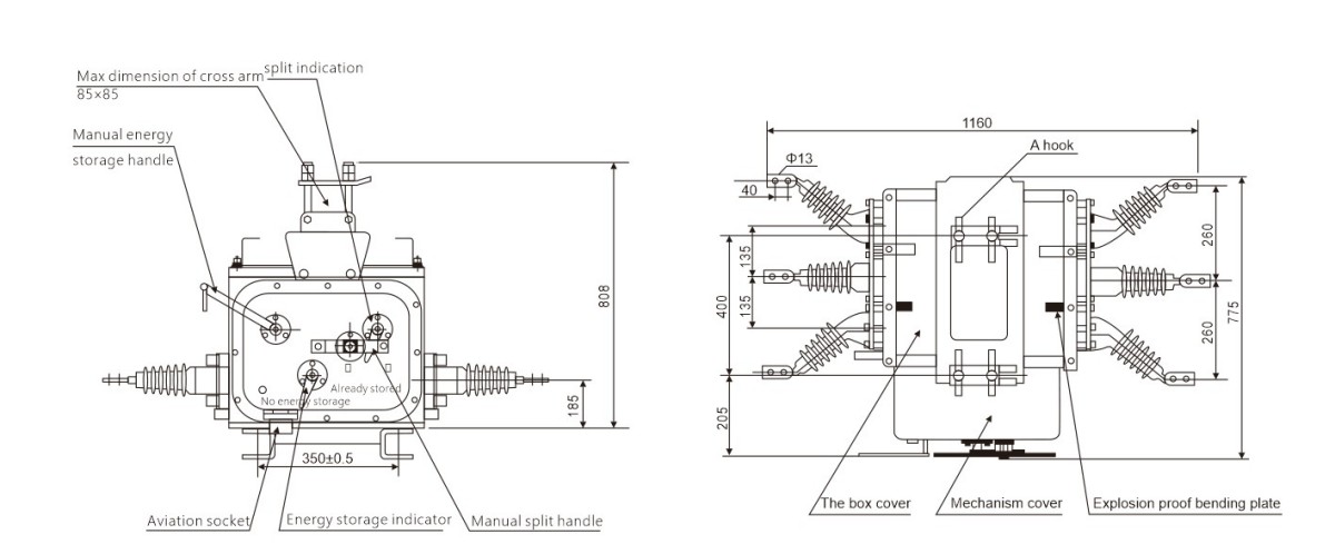
NÁVRH A ROZMER INŠTALÁCIE

Tipy na objednávanie

Tu sme podrobne prebrali kľúčové vlastnosti, technické špecifikácie a podrobnosti tohto vonkajšieho vákuového ističa SF6 série ZW20. Aby ste sa uistili, že dostanete ten správny – vrátane akýchkoľvek vlastných vylepšení – majte pri objednávaní na pamäti tieto jednoduché body:

Vysvetlite svoje základné potreby: Dajte nám vedieť požadované menovité napätie, prúd a skratový vypínací prúd. Ak chcete doplnky, ako sú izolačné spínače alebo komunikačné funkcie, stačí ich jasne spomenúť.
Podeľte sa o svoje podmienky na mieste: Povedzte nám o prostredí, kde sa bude istič používať – o veciach, ako je nadmorská výška, teplotný rozsah a úroveň znečistenia. To zaisťuje, že spoľahlivo drží vo vašom konkrétnom nastavení.
Uveďte akékoľvek vlastné požiadavky: Ak potrebujete neštandardné nastavenia, extra ochranné funkcie alebo chcete, aby fungoval so špecifickým riadiacim systémom, poskytnite nám čo najviac podrobností.

Potrebujete riešenie na mieru, jedinečnú konfiguráciu alebo máte otázky týkajúce sa použitia tohto ističa v neštandardných scenároch? Náš technický tím je tu, aby vám pomohol získať presne to, čo potrebujete. Stačí sa ešte dnes spojiť a porozprávať sa o svojich požiadavkách.

Hot Tags: Vonkajší vákuový istič série ZW20 SF6, Čína, Výrobca, Dodávateľ, Továreň, Veľkoobchod, Na mieru, na sklade, Vyrobené v Číne, Nízka cena, Kvalita
Odoslať dopyt
Kontaktné informácie
Zašlite dopyt do Comewill na rozvádzače, vákuové ističe, prúdový transformátor. Získajte prispôsobené cenové ponuky, nízke ceny alebo odbornú podporu od nášho výrobného tímu v Číne.
X
Súbory cookie používame, aby sme vám poskytli lepší zážitok z prehliadania, analyzovali návštevnosť stránok a prispôsobili obsah. Používaním tejto stránky súhlasíte s naším používaním cookies. Zásady ochrany osobných údajov
Odmietnuť Prijať