Produkty
DOMOV > Produkty
Nízkonapäťový kombinovaný spínací prístroj GGJ
  • Nízkonapäťový kombinovaný spínací prístroj GGJNízkonapäťový kombinovaný spínací prístroj GGJ

Nízkonapäťový kombinovaný spínací prístroj GGJ

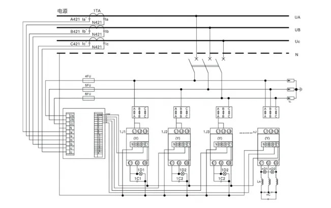
Nízkonapäťový kombinovaný rozvádzač GGJ vyvinutý spoločnosťou Welcome (Wenzhou) Electric Co., Ltd., profesionálnym výrobcom v Číne, obsahuje počítačom podporovaný dizajn a integrovanú mikropočítačovú riadiacu technológiu na inteligentné sledovanie a kompenzáciu jalového výkonu. Vďaka racionálnej štruktúre a vyspelej technológii sa široko používa v nízkonapäťových energetických sieťach.

Ako profesionálny výrobca v Číne by vám továreň Comewill rada poskytla kvalitný nízkonapäťový kombinovaný rozvádzač GGJ, ktorý efektívne zvyšuje účinník, znižuje straty jalového výkonu a zvyšuje kvalitu napájania. Riadený inteligentným ovládačom ponúka plnú funkčnosť a spoľahlivý výkon s automatickou kompenzáciou, schopnou zvýšiť účinník nad 0,9.

Nízkonapäťový kombinovaný spínací prístroj GGJ poskytuje zobrazenie účinníka siete v reálnom čase, pričom pokrýva oneskorené (0,00-0,99) aj vedúce (0,00-0,99) rozsahy. Je vybavený komplexnými ochrannými funkciami proti prepätiu, nadmerným harmonickým, nadmernej kompenzácii, systémovým poruchám, strate fázy, preťaženiu a podobne. Zachováva nastavené parametre aj počas výpadkov prúdu a automaticky obnoví prevádzku, keď sa sieť stabilizuje – nie je potrebný žiadny personál na mieste.

Na základe vyváženia zaťaženia siete podporuje kombinovaný nízkonapäťový spínací prístroj GGJ fázovú kompenzáciu alebo režimy zmiešanej kompenzácie. Vďaka silnej schopnosti proti rušeniu odoláva 2000V amplitúdovým interferenčným impulzom priamo zo siete, čím prekračuje národné priemyselné štandardy. Zariadenie každú hodinu meria a zaznamenáva trojfázové napätie, prúd, frekvenciu, činný výkon, jalový výkon, účinník, činnú energiu, jalovú energiu na nízkonapäťovej strane transformátora, ako aj celkovú mieru skreslenia napätia/prúdu a obsah 2. až 25. harmonickej. Vybavený rozhraním RS-232 a RS-485 umožňuje prepis dát cez vreckové počítače.

Prostredníctvom diaľkovej komunikácie dosahuje bezdrôtový odpočet meračov, testovanie zariadenia, konfiguráciu parametrov a prístup k údajom v reálnom čase a zaznamenaným údajom. Jeho vstavaná funkcia analýzy údajov podporuje spracovanie, štatistiku a dopytovanie údajov prevádzkového zaťaženia. Komplexne vyhodnocuje kvalitu napájacieho zdroja výpočtom kvalifikačnej miery napätia, záťaže, spoľahlivosti a maximálnej záťaže. Používatelia môžu kontrolovať účinník, aktívny výkon a jalový výkon pre rôzne časové obdobia, generovať krivky pre fázové napätie, prúd, účinník atď. a tlačiť komplexné analýzy a štatistické správy.

Presadzovať normy

IEC439:《Nízkonapäťové spínacie a ovládacie zariadenia》
GB7251:《Nízkonapäťový spínací prístroj》

Popis typu

Normálny servisný stav

1. Okolitá teplota vzduchu by nemala stúpnuť nad +40 ℃ alebo pod -5 ℃ a 24-hodinová priemerná teplota nesmie prekročiť +35 ℃. Ak sú tieto teplotné limity prekročené, budete musieť znížiť kapacitu prevádzky zariadenia na základe skutočných podmienok.
2. Tento kombinovaný nízkonapäťový rozvádzač GGJ je určený len na použitie v interiéri a nadmorská výška miesta inštalácie nesmie presiahnuť 2000 metrov.
3. Keď maximálna teplota dosiahne +40 ℃, relatívna vlhkosť okolitého vzduchu by mala zostať pod 50%. Pri nižších teplotách je prijateľná vyššia vlhkosť – napríklad 90 % pri +20 °C. Mali by ste tiež počítať s občasnou kondenzáciou, ktorá sa môže tvoriť v dôsledku kolísania teploty.
4. Počas inštalácie nesmie byť sklon zariadenia od zvislej roviny väčší ako 5° a celý rad skriniek by mal byť relatívne rovný. Je dôležité nainštalovať zariadenie na miesto bez silných vibrácií a nárazov, kde elektrické komponenty nebudú vystavené nadmernej korózii.

Šírka skrinky (A) Hĺbka skrinky (B) Rozstup montážnych otvorov (a) Rozstup montážnych otvorov (b)
800 500 685 385
600 800 485 685
600 1000 485 885
800 800 685 685
800 1000 685 885
1000 800 885 685
1000 1000 885 885
Položka Parametre
Menovité izolačné napätie (V) 660
Menovité prevádzkové napätie (V) 380/660
Menovité napätie pomocného obvodu (V) AC 220/380
DC 110/220
Prevádzková frekvencia (Hz) 50-60
Menovitý prúd (A) Horizontálna zbernica <3150
Vertikálna zbernica 630/800
Menovitý krátkodobý výdržný prúd Stredná čiara (kA/1 s) 50
Prípojnica (kA/1 s) 30
Menovitý špičkový prúd (kA/0,1 s) 105/50
Vypínacia kapacita funkčnej jednotky (kA) 50 (efektívna hodnota)
Stupeň ochrany skrine IP40
Autobusový bar Trojfázový štvorvodičový systém, trojfázový päťvodičový systém
Prevádzkový režim Na mieste, na diaľku a automaticky

Pevnosť

1. Pre úvahy o obstarávaní: Nízkonapäťový kombinovaný rozvádzač GGJ od spoločnosti Welcome (Wenzhou) Electric Co., Ltd. sa dodáva s viacerými vetracími otvormi v hornej aj spodnej časti skrine. Tento dizajn vytvára prirodzené prúdenie vzduchu zdola nahor vo vnútri utesnenej skrinky, čím efektívne rieši problémy s rozptylom tepla pre spoľahlivú prevádzku.
2.Prístrojové dvierka rozvádzača – vybavené elektrickými komponentmi – a vnútorné montážne časti tvoria kompletný uzemňovací ochranný obvod, ktorý vždy zaisťuje konzistentnú kontinuitu uzemnenia.
3. Hlavné prípojnice umiestnime do hornej zadnej časti skrine, spárované s prípojnicovými svorkami typu AMJ vyrobenými z vysoko pevných nenasýtených polyesterových DMC/SMC materiálov. Tieto svorky poskytujú výnimočnú mechanickú pevnosť a izolačný výkon, zatiaľ čo odnímateľný horný kryt skrine zjednodušuje montáž a nastavenie hlavných prípojníc na mieste.
4.Skriňa je vybavená elektrostatickým práškovým náterom pre silnú priľnavosť a všetky vnútorné komponenty podliehajú galvanizácii a pasivácii. To zvyšuje „trojodolné“ schopnosti rozvádzača: odolnosť proti vlhkosti, prachu a korózii, čím sa predlžuje jeho životnosť v rôznych prostrediach.
5. Aby vyhovoval rôznym projektovým potrebám, nízkonapäťový kombinovaný rozvádzač GGJ podporuje viacero možností káblových vstupov – horný vstup, spodný vstup a zadný vstup – ponúka flexibilnú inštaláciu pre obstarávacie projekty.

Pokyny na objednanie

◇ Schéma hlavného zapojenia;
◇ Kompenzačná kapacita a spôsob kompenzácie;
◇ Ak nevyhovuje bežným prevádzkovým podmienkam produktu, musí byť špecifikovaný vopred.


Hot Tags: GGJ Nízkonapäťové kombinované rozvádzače, Čína, Výrobca, Dodávateľ, Továreň, Veľkoobchod, Na mieru, na sklade, Vyrobené v Číne, Nízka cena, Kvalita
Odoslať dopyt
Kontaktné informácie
Zašlite dopyt do Comewill na rozvádzače, vákuové ističe, prúdový transformátor. Získajte prispôsobené cenové ponuky, nízke ceny alebo odbornú podporu od nášho výrobného tímu v Číne.
X
Súbory cookie používame, aby sme vám poskytli lepší zážitok z prehliadania, analyzovali návštevnosť stránok a prispôsobili obsah. Používaním tejto stránky súhlasíte s naším používaním cookies. Zásady ochrany osobných údajov
Odmietnuť Prijať