Produkty
DOMOV > Produkty
LMZW9-0,66 Prúdový transformátor
  • LMZW9-0,66 Prúdový transformátorLMZW9-0,66 Prúdový transformátor
  • LMZW9-0,66 Prúdový transformátorLMZW9-0,66 Prúdový transformátor

LMZW9-0,66 Prúdový transformátor

Kúpte si kvalitný prúdový transformátor LMZW9-0,66 od čínskeho výrobcu Comewill. Tento transformátor je špeciálne navrhnutý pre obvody striedavého prúdu 50 Hz s menovitým napätím 0,66 kV a nižším, čím spĺňa kritické požiadavky na presné monitorovanie prúdu a meranie energie v sektoroch distribúcie elektrickej energie v priemysle a budovách. Jednotka využíva proces odlievania nenasýtenej živice a vyznačuje sa robustnou štruktúrou s vynikajúcou odolnosťou proti vlhkosti a tepelnou stabilitou, čo efektívne znižuje náklady na údržbu počas celého životného cyklu.
Ako profesionálny výrobca energetických zariadení v Číne spoločnosť Comewill prísne dodržiava normu IEC 61869, ktorá zabezpečuje stabilný a spoľahlivý výkon prúdového transformátora LMZW9-0.66. Jeho konštrukcia s pevnou montážou zjednodušuje zapojenie na mieste a umožňuje bezproblémovú integráciu do rôznych nízkonapäťových distribučných systémov – či už ide o modernizáciu alebo nové stavebné projekty.

Technický parameter prúdového transformátora LMZW-0,66:

Menovitá frekvencia 50/60 Hz
Menovité napätie 0,6 kV alebo 0,66 kV
Najvyššie napätie pre zariadenie 0,72 kV
Odolné napätie výkonovej frekvencie 3 kV
Technická norma zodpovedá IEC60044-1:2003 alebo IEEE STD C57.13-2008
Typ Menovitý primárny prúd (A) Menovitý výkon VA (cosФ=0,8 lag)
0,2 S 0.2 0,5 S 0.5 1
LMZ-0,66 75-100 10-3,75 10-3,75 10-3,75 10-3,7510-3,75 10-3,75
LMZ-0,66 150-300 10-3,75 10-3,75 10-3,75 10-3,75 10-3,75
LMZ-0,66 400-750 10-3,75 10-3,75 10-3,75 10-3,75 10-3,75
LMZ-0,66 1000-1500 10-3,75 10-3,75 10-3,75 10-3,75 10-3,75


Vlastnosti produktu

1. Stabilný výkon

Transformátor prúdu LMZW9-0.66 od výrobcu Comewill je v súlade s normami IEC 61869, IEC60044-1 a IEEE C57.13

Presné meranie prúdu v širokom rozsahu primárnych prúdov (75-1500A)

Menovitý výkon 10–3,75 VA (cosφ=0,8 oneskorenia) zaisťuje konzistentný signál pre meranie a ochranu


2. Vnútorný dizajn s pevnou montážou

Zjednodušuje zapojenie a integráciu do nízkonapäťových rozvádzačov a panelov

Znižuje chyby pri inštalácii a nároky na údržbu

Kompaktný dizajn maximalizuje využitie priestoru panelu


3. Široký operačný rozsah

Prevádzková teplota: -25 ℃ až +55 ℃

Relatívna vlhkosť: ≤ 90 %, bez kondenzácie

Nadmorská výška: ≤ 1000 metrov nad morom

Vnútorné prostredie bez znečistenia, prachu a korozívnych plynov


4. Vysoká bezpečnosť a súlad

Výdržné napätie napájacej frekvencie: 3kV

Menovité napätie: 0,6–0,66 kV, s maximálnym napätím zariadenia 0,72 kV

Určené pre dlhodobú bezpečnú prevádzku v distribučných sieťach nízkeho napätia


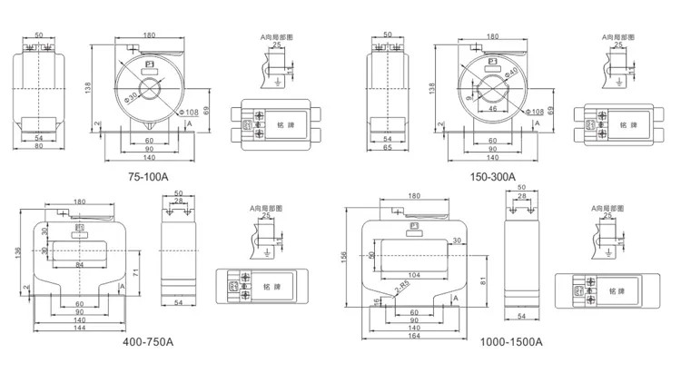
Obrys a montážne rozmery

Vitajte (Wenzhou) Electric Co., Ltd


FAQ


Q1: Ste továreň alebo obchodná spoločnosť?

A1: Sme továreň, ktorá nám umožňuje priamo ponúkať veľmi konkurencieschopné ceny.


Q2: Aký je váš proces kontroly kvality?

A2: Zabezpečujeme, aby všetky produkty pred odoslaním prešli 100% kontrolou.


Q3: Kedy môžem očakávať, že dostanem cenovú ponuku?

A3: Cenovú ponuku zvyčajne poskytujeme do 24 hodín od prijatia vašej otázky.


Q4: Ako môžem získať vzorku?

A4: Môžete si kúpiť vzorku, ktorá bude zahŕňať náklady na vzorku a poplatky za dopravu. Poplatok za expresné doručenie závisí od množstva a hmotnosti vzoriek.


Q5: Aké sú náklady na dopravu?

A5: Náklady na dopravu sa líšia v závislosti od cieľového prístavu.


Hot Tags: LMZW9-0.66 Prúdový transformátor, Čína, Výrobca, Dodávateľ, Továreň, Veľkoobchod, Na mieru, Skladom, Vyrobené v Číne, Nízka cena, Kvalita
Odoslať dopyt
Kontaktné informácie
Zašlite dopyt do Comewill na rozvádzače, vákuové ističe, prúdový transformátor. Získajte prispôsobené cenové ponuky, nízke ceny alebo odbornú podporu od nášho výrobného tímu v Číne.
X
Súbory cookie používame, aby sme vám poskytli lepší zážitok z prehliadania, analyzovali návštevnosť stránok a prispôsobili obsah. Používaním tejto stránky súhlasíte s naším používaním cookies. Zásady ochrany osobných údajov
Odmietnuť Prijať