Produkty
DOMOV > Produkty
Prúdový transformátor LMZK-10
  • Prúdový transformátor LMZK-10Prúdový transformátor LMZK-10
  • Prúdový transformátor LMZK-10Prúdový transformátor LMZK-10

Prúdový transformátor LMZK-10

Prúdový transformátor LMZK-10 dodávaný spoločnosťou Welcome (Wenzhou) Electric Co., Ltd. v Číne je vhodný na meranie prúdu, vzorkovanie signálu a scenáre ochrany mikropočítačov elektrických zariadení v 10KV AC napájacích systémoch. Je to preferované podporné zariadenie pre obstarávanie energetiky.

Comewill, ako popredný čínsky výrobca a dodávateľ, vám poskytuje prúdový transformátor LMZK-10, ktorý ponúka hlavné výhody vrátane kompaktnej veľkosti, odnímateľného jadra pre jednoduchú inštaláciu a vysoko presného merania pomocou dovážanej kremíkovej ocele. Je špeciálne navrhnutý pre 10kV kompaktné rozvádzače.

Tento prúdový transformátor LMZK-10 má základné výhody, ako je malá veľkosť, nízka hmotnosť, prepínateľnosť a jednoduchá inštalácia a je široko vhodný pre potreby obstarávania kompaktných plne izolovaných kruhových sieťových rozvádzačov. Je obzvlášť vhodný na kombináciu so vzdialenými koncovými zariadeniami, ako sú RTU a FTU, do vzorkovacej jednotky, ktorá poskytuje komplexné riešenie a dátovú podporu pre celý systém. Po obstaraní a montáži nie je potrebné upravovať pôvodné rozvody. Môže byť inštalovaný priamo na pripojené vstupné a výstupné káble, čím je prevádzka jednoduchá a rýchla, čo výrazne znižuje náklady na inžiniersku inštaláciu. V súčasnosti sa široko používa v kompaktných plne izolovaných kruhových sieťových rozvádzačoch, ako sú SafeRing/Plus, Uniswitch, RM6/SM6, SVS, GA/GE, FB, SS atď., a je tiež vhodný pre potreby obstarávania a podpory kombinovaných rozvodní, káblových rozvodných boxov a iných zariadení.

Pokiaľ ide o materiály jadra a procesy, prúdový transformátor LMZK-10 využíva ako magnetické materiály kvalitné importované vysokopermeabilné kremíkové oceľové plechy, ktoré majú vlastnosti rozoberateľných železných jadier a nízke straty v magnetických obvodoch. Živica je vákuovo odliata vo vnútri plastovej škrupiny spomaľujúcej horenie, s vynikajúcou odolnosťou proti vlhkosti, stabilným výkonom a bez potreby neskoršej údržby, čo spĺňa požiadavky na nákladovú efektívnosť nákupu pri dlhodobom používaní. Počas inštalácie upnite dva polkruhové krúžky na fázovo oddelený kábel a zaistite ich svorkami, aby hladko splynuli s káblom a vytvorili krásny a koordinovaný vzhľad. Produkt je vhodný pre scenár obstarávania 10KV káblov so špecifikáciami v rozsahu od 35 mm² do 400 mm². Svorka je vyrobená z vysoko kvalitného nerezového materiálu, ktorý je pevný a spoľahlivý. Počas používania nevzniká vírivý prúd, čo zaisťuje bezpečnú prevádzku zariadenia.

Technické požiadavky na pracovné a inštalačné prostredie- prúdový transformátor LMZK-10

Účiník na strane záťaže musí spĺňať COS φ=0,8 (vykazuje hysteréznu charakteristiku).
Menovitý sekundárny prúd je možné vybrať zo špecifikácií 5A alebo 1A, aby vyhovoval potrebám rôznych energetických systémov.
Rozsah teploty prostredia: Dolná hranica je -5 ℃, horná hranica je 40 ℃ a priemerná denná teplota nesmie presiahnuť 30 ℃.
Menovitá prevádzková frekvencia podporuje dva bežné štandardy: 50 Hz alebo 60 Hz.
Nadmorská výška inštalácie zariadenia by mala byť kontrolovaná na 1000 metrov alebo menej.
Úroveň znečistenia spĺňa normu Level II a je vhodná pre bežné priemyselné prostredie.

Výroba a kontrola produktu prísne dodržiavajú národné normy GB20840.1 a GB20840.2.

TECHNICKÉ ÚDAJE

LMZK1

Typ LMZK1-10C LMZK1-10P LMZK1-10CP
Účel Merací transformátor prúdu Ochranný prúdový transformátor Transformátor prúdu s dvojitým vinutím
Pomer Trieda presnosti a hodnotená záťaž (VA) Trieda presnosti a hodnotená záťaž (VA) Trieda presnosti a menovité zaťaženie (VA)
0.5 1 3 10P15 10P10 10P5 0.5 1 10P10 10P5
50/5

2.5






75/5

2.5

1.5



100/5
2.5


2.5



150/5
2.5

1.5 3.75



200/5 2.5 5

2.5 5



300/5 2.5 5
1.5 2.5 5
2.5
1.5
400/5 5 5
1.5 2.5 5 2.5

2.5
500/5 5 5
2.5 3.75 7.5 2.5

2.5
600/5 5 5
2.5 5 10 2.5

2.5

LMZK2

Typ LMZK2-10C

LMZK2-10P
LMZK2-10CP
Účel
Meranie prúdu Ochranný prúd Prúd s dvojitým vinutím

transformátor
transformátor
transformátor
Pomer
Trieda presnosti a Trieda presnosti a Trieda presnosti a menovité zaťaženie

menovité zaťaženie (VA) menovité zaťaženie (VA) (VA)
0,2 0,5 1 10P15 10P10 10P5 0,5 1 10P10 10P5
50/5 2.5
2.5
75/5 2.5 2.5 2
1.5
100/5 2.5 5 2.5 5 2.5 2.5
150/5 2.5 5
2.5 5
2.5 2.5
200/5 3.75 7.5
3.75 7.5
3.75 2.5
300/5 2.5 5 3.75 5 10 2.5 5
2.5
5
400/5 5 7.5 3.75 5 10 5 5
2.5 5
500/5 5 7.5 5 7.5 15 5 5 3.75 7.5
600/5 5 10 5 7.5 15 5 5 3.75 7.5

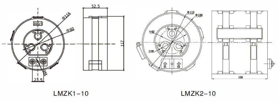
Obrysový rozmer


Hot Tags: LMZK-10 Prúdový transformátor, Čína, Výrobca, Dodávateľ, Továreň, Veľkoobchod, Na mieru, Skladom, Vyrobené v Číne, Nízka cena, Kvalita
Odoslať dopyt
Kontaktné informácie
Zašlite dopyt do Comewill na rozvádzače, vákuové ističe, prúdový transformátor. Získajte prispôsobené cenové ponuky, nízke ceny alebo odbornú podporu od nášho výrobného tímu v Číne.
X
Súbory cookie používame, aby sme vám poskytli lepší zážitok z prehliadania, analyzovali návštevnosť stránok a prispôsobili obsah. Používaním tejto stránky súhlasíte s naším používaním cookies. Zásady ochrany osobných údajov
Odmietnuť Prijať